首页
关于我们
公司简介
董事长寄语
总裁致辞
管理团队
企业文化
大事记
会员与服务
招标公告
指数数据
会员须知
会员分布
会员活动
历年表彰
下载中心
新闻与公告
通知公告
公司动态
行业资讯
法律与规则
法律法规
交易规则
入市文件
其他
联系我们
人才招聘
联系方式
中文
中文
English
交易系统
搜索
你想要找的
新闻与公告
News and Announcements
通知公告
公司动态
行业资讯
新闻与公告
通知公告
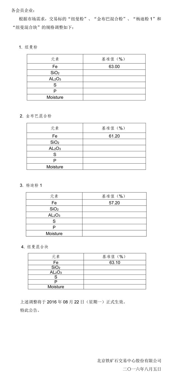
关于调整交易标的的公告
发布时间:
2016-08-05
关于增加交易标的的公告
关于增加密码重置方式的公告